Looking for hydro cooler and right exhause 444
-
glgrumpy
- Posts: 2
- Joined: Sun Apr 23, 2023 2:32 pm
- Location: Huntington, IN 46750
- Been thanked: 15 times
Looking for hydro cooler and right exhause 444
Have 444, all orage serial 14024011. I don't know what year this is. Serial give me that if know how? Anyway, wanting parts book or PDF to look at systems. Wanting info on cooler and lines to it and correct exhaust. I have NO cooler now and wrong exhuast. I DO have the tin work on front to hold these items, just empty now. What's available and or pictures available to see what is correct? Think pipe is one that goes around the shroud side on left and muffler has both in and out same side and goes out the bump in side or hood. I'm thinking cooler has in/out on right side, just one up higher?? I have seen some with outlets on opposite sides.
-
Gordy
- Posts: 653
- Joined: Sat Mar 06, 2021 1:24 pm
- Location: MapleLake,MN
- Has thanked: 2343 times
- Been thanked: 2137 times
Re: Looking for hydro cooler and right exhause 444
One of the dealers (Barneveld Imp.) from the other site has many new and used parts. Here is their latest info. location, Barneveld, WI.
Gordy
Other options are to watch ebay, FB marketplace, or CraigslistHello Club, We just wanted to give a update on us (Barneveld Imp. (Please read all) Sorry we have been missing in action,(PLEASE CALL OR TEX OUR SHOP 24-7 AT 608-924-1662 IF WE CAN HELP)We are very proud to have helped sponsor this site for years, We have tried many times to get a hold of Verticalscope (the owners of this site) To try to find out why they want to charge us $891.00 per year to help sponsor this site, more than triple from before. No one will get back to us. With this being said,Charlie & I are well, & super busy, We bought out two more dealers in the last year, Kens Economy in Marshfield Wis. & Halsey Machinery in Mexico NY. (all the Case-Ingersoll parts act.) We do not have a fancy web site, but we are pretty sure that we stock more Case-Ingersoll parts than any other 2 or 3 dealers combined.We have two different machine shops that make parts Ect. for us if they are not available from our supplier. We should have more weight boxes here soon, a long with more snowblower turn rods. We appreciate all the members here,Thank you,Bill, Barneveld Imp.
Gordy
-
Eugen
- Posts: 5391
- Joined: Wed Mar 03, 2021 2:52 pm
- Location: Romania
- Has thanked: 14184 times
- Been thanked: 17495 times
- Contact:
Re: Looking for hydro cooler and right exhause 444
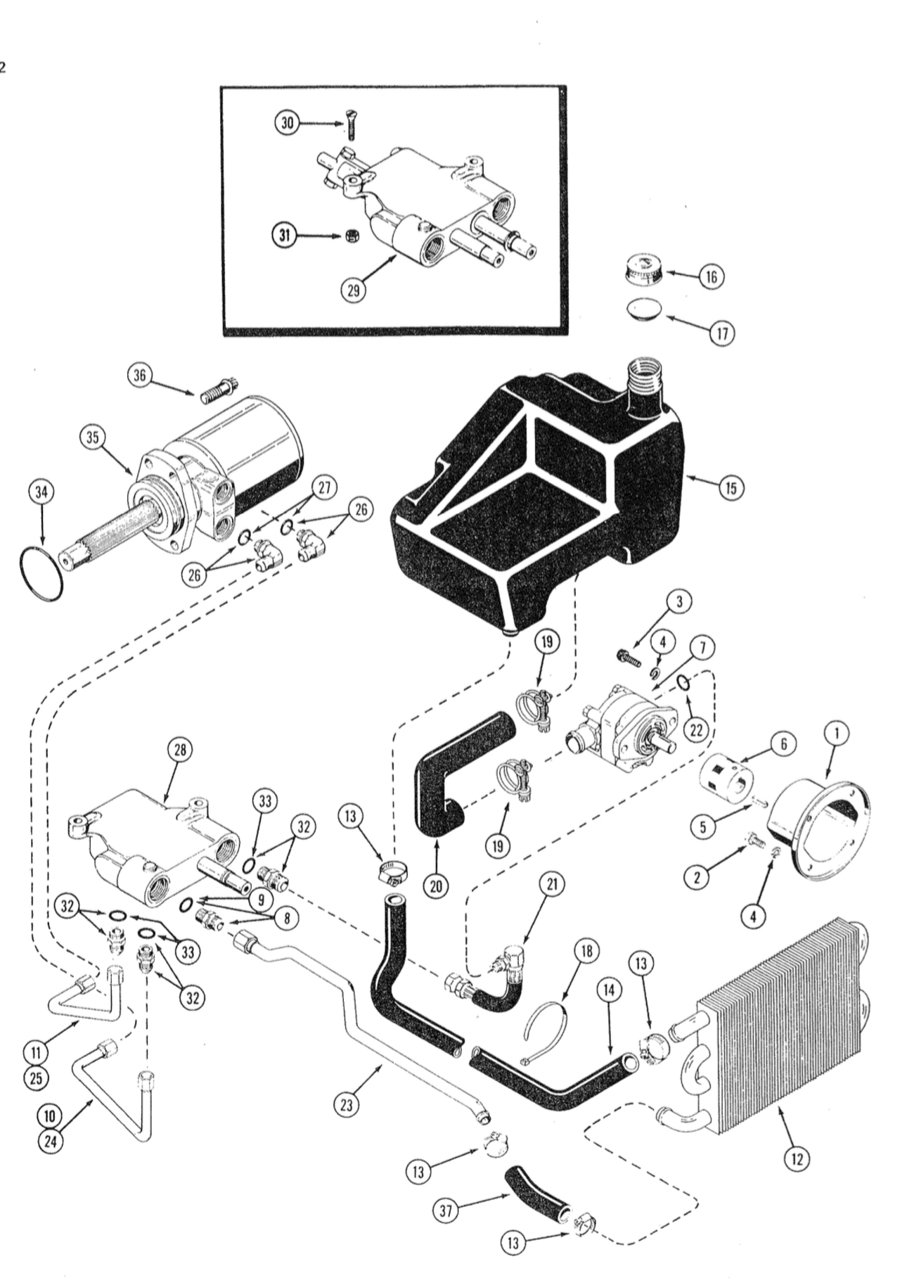
I suggest you identify in the picture below which parts you need.