Onan engine
-
Harry
- Posts: 2199
- Joined: Sun Mar 07, 2021 8:33 am
- Location: Lockport,NY
- Has thanked: 13001 times
- Been thanked: 9594 times
Onan engine
I pulled the 446 into the shop today to defrost it. After sitting in the shop at 65 degrees for three hours all the snow finally melted. I cranked it over and it still is popping through the carburetor. That sounds to me like the timing is off. Timing is controlled by the points setting. Before I jump into tearing it apart, I thought I would throw it out there for suggestions.
Harry
1973 444, 1974 644, 1976 446, 1977 646, 1986 226
-
Eugen
- Posts: 5379
- Joined: Wed Mar 03, 2021 2:52 pm
- Location: Port Mcnicoll, Ontario
- Has thanked: 14077 times
- Been thanked: 17441 times
- Contact:
Re: Onan engine
Harry, sorry to hear about this latest trouble with your 446. Can you describe what you mean by popping through the carb? Does it do this while running?
My 444 started to spit fire through the exhaust today, with big noise like a gun, every few cycles. I had some pretty bad thoughts of what might be the cause when I saw the coil together with the condenser hanging low only on the wires. Somehow the bolts came undone. So, have a good visual inspection first, if you haven't already.
My 444 started to spit fire through the exhaust today, with big noise like a gun, every few cycles. I had some pretty bad thoughts of what might be the cause when I saw the coil together with the condenser hanging low only on the wires. Somehow the bolts came undone. So, have a good visual inspection first, if you haven't already.
-
Harry
- Posts: 2199
- Joined: Sun Mar 07, 2021 8:33 am
- Location: Lockport,NY
- Has thanked: 13001 times
- Been thanked: 9594 times
Re: Onan engine
Popping through the carburetor to me is flames shooting out the carburetor with an explosion. Especially when I squirt a little starting fluid into the carburetor. All the wiring looks good to the coil and ignition switch. It has a transdenser instead of a condenser on this engine. I can see the led light on it flashing so I know it is working. Next step will be to remove the points cover and inspect the points. This is located in a difficult area to reach, which makes it a PITA!
Harry
1973 444, 1974 644, 1976 446, 1977 646, 1986 226
-
DavidBarkey
- Posts: 4094
- Joined: Sat Mar 06, 2021 10:35 am
- Location: Waverley On.
- Has thanked: 20648 times
- Been thanked: 15137 times
Re: Onan engine
Harry do you have a condenser that you quickly install in place of the transdenser ? Just to rule it out for sure . I have seen electronic ign. componentsHarry wrote: ↑Mon Dec 26, 2022 9:54 pm Popping through the carburetor to me is flames shooting out the carburetor with an explosion. Especially when I squirt a little starting fluid into the carburetor. All the wiring looks good to the coil and ignition switch. It has a transdenser instead of a condenser on this engine. I can see the led light on it flashing so I know it is working. Next step will be to remove the points cover and inspect the points. This is located in a difficult area to reach, which makes it a PITA!Harry
fail where it shoes a test light pulsing at the coil but was not fully collapsing the field in the coil causing it not to fire properly , Secondly can you do a quick compression test to rule out anything internal . Hope it is quick simple fix
Dave
Mad Tractor Builder
Mad Tractor Builder
-
Harry
- Posts: 2199
- Joined: Sun Mar 07, 2021 8:33 am
- Location: Lockport,NY
- Has thanked: 13001 times
- Been thanked: 9594 times
Re: Onan engine
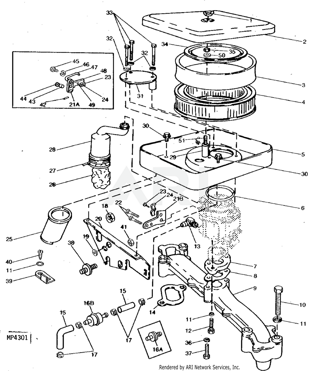
I got to the problem today. I figured I needed to check the points which are located in a difficult spot on Onan engines. I removed the air cleaner top and noticed the base was loose. Two of three bolts that hold the base to the carburetor were missing. You can only guess where they were! Your right down the throat of the carburetor through the intake manifold and in valve area holding the intake valves open. One bolt in each intake valve so no compression and popping through the carburetor. I slipped a pry bar and carefully open the intake valve more while attracting the bolt to a small telescopic magnetic. Mission accomplished, well almost I figured it was good going to decarbon the heads and valves. I had a spare set of gaskets which I sprayed with copper gasket sealer then installed the heads. Torqued the head bolts down and started the engine, let it warm up then retorqued the head bolts. It was close to dinner so I shut down the shop and headed for a shower and dinner. Tomorrow I will complete this project and take it out to blow some snow!
Harry
1973 444, 1974 644, 1976 446, 1977 646, 1986 226
-
Jancoe
- Posts: 326
- Joined: Sat Mar 06, 2021 3:09 pm
- Location: Houghton Lake, MI
- Has thanked: 16 times
- Been thanked: 1453 times
Re: Onan engine
Wow.
Very lucky guy there Harry. Glad the valves didn't allow them to go any further. Chalk that one up as a big win. Glad you got it figured out. 
-
propane1
- Posts: 2855
- Joined: Thu Dec 23, 2021 11:32 am
- Location: PEI, Canada
- Has thanked: 6799 times
- Been thanked: 10918 times
Re: Onan engine
I was wondering if the valve or valves were stuck open. But never thought of the screws. Glad you figured it out Harry.
I bet some of us will be checking those screws. Hehe. I know when I put mine in I put grease in the hole. So the screws hopefully don’t back out.
Noel
I bet some of us will be checking those screws. Hehe. I know when I put mine in I put grease in the hole. So the screws hopefully don’t back out.
Noel
-
Eugen
- Posts: 5379
- Joined: Wed Mar 03, 2021 2:52 pm
- Location: Port Mcnicoll, Ontario
- Has thanked: 14077 times
- Been thanked: 17441 times
- Contact:
Re: Onan engine
That could have been nasty! Good save @Harry ! Hope the valves and seats are not damaged though. 
-
DavidBarkey
- Posts: 4094
- Joined: Sat Mar 06, 2021 10:35 am
- Location: Waverley On.
- Has thanked: 20648 times
- Been thanked: 15137 times
Re: Onan engine
Harry you are not the only one to have this happen . I have read about this on a number of forums on engines with this style down draft carbs and breather set ups . This made me think of something I thought about before and never got a round to .
The holes in these carbs get worn or stripped after time . What if a guy was to epoxy (JB Weld )studs in place of the screws . Then either a small hole drilled in the top of the stud for safety wire or nylock nuts used .
Thoughts guys
The holes in these carbs get worn or stripped after time . What if a guy was to epoxy (JB Weld )studs in place of the screws . Then either a small hole drilled in the top of the stud for safety wire or nylock nuts used .
Thoughts guys
Dave
Mad Tractor Builder
Mad Tractor Builder
-
DavidBarkey
- Posts: 4094
- Joined: Sat Mar 06, 2021 10:35 am
- Location: Waverley On.
- Has thanked: 20648 times
- Been thanked: 15137 times
Re: Onan engine
This is how it is on the P220 in Frankie (genny Engine) as anouther option . The 446 Blower tractor with Genny engine has the orginal B43 intake , carb and breather . like this with little screws .
Dave
Mad Tractor Builder
Mad Tractor Builder