Steering improvements

Stuff about your Case, Colt, or Ingersoll tractor
User avatar
MattA United States of America
Posts: 1248
Joined: Sun Mar 07, 2021 1:57 pm
Location: Swansea MA
Has thanked: 5 times
Been thanked: 5664 times

Steering improvements

Post by MattA »

This is intended as a general steering improvements thread. My experience is with 3000 and 4000 series Ingersoll tractors but it should also apply to 200 and 400 series Case tractors and some may apply to the loaders. Feel free to add anything and correct any mistakes I make.

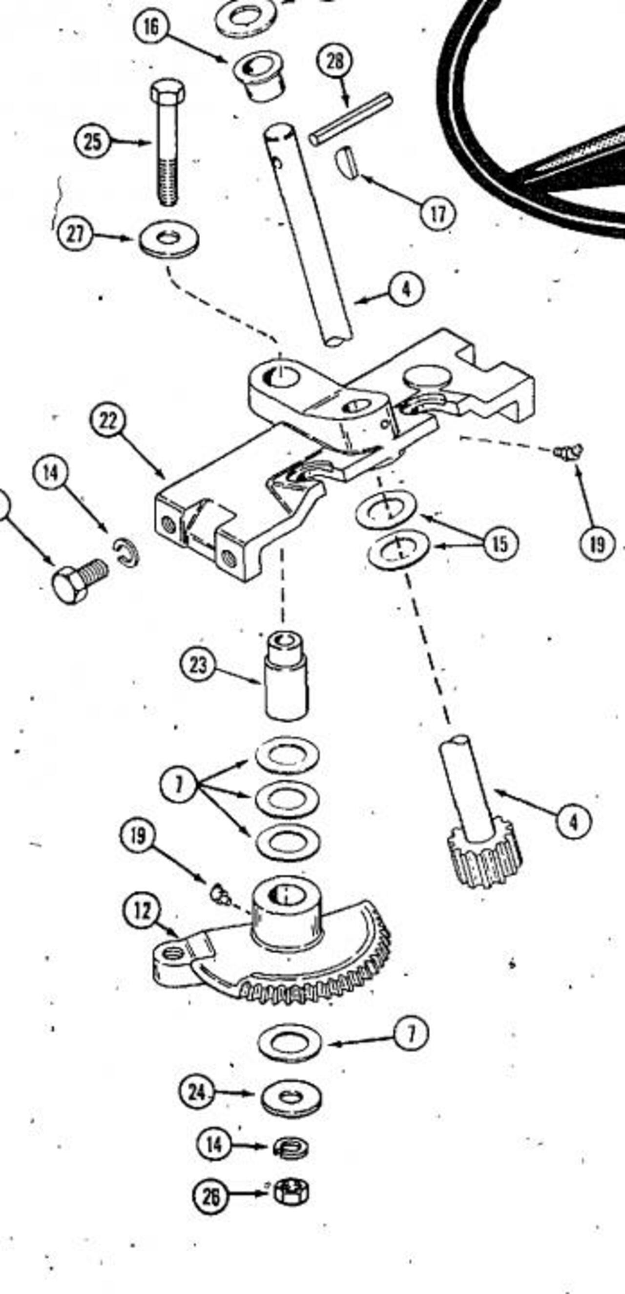
#1 Steering shim adjustments - Steering gears #4 and #12 can become worn over time causing excess play in the steering. Case Ingersoll may have an actual procedure for the adjustments. Below is what I have done.
1. Wipe the grease off the steering gears and make an alignment mark between the two gears. I've used a sharpie marker. The purpose of the mark it to realign the gears when reassembling. I do this with the wheels straight ahead.
2. Remove nut 26, washer 14, 24 and 7.
3. Slide steering gear #12 off the splined shaft.
4. Remove one of the three #7 washers from the top side of the gear.
5. Reinstall steering gear #12 on the splined shaft with the alignment mark you made earlier lined up with steering gear #4.
6. Install the #7 washer you just removed on the bottom of steering gear #12.
7. Install the remaining washers 7, 24 and 14 + nut 26.
8. Tighten the nut to xxft-lbs.
9. If you need to take more play out of the steering, repeat the procedure moving the second #7 washer to the bottom of steering gear #12.
10. If you need to take more play out of the steering, repeat the procedure moving the third #7 washer to the bottom of steering gear #12.
11. I've heard of people machining some off the splined section of steering gear #12 to tighten the steering up even more.
steering gear.jpg
#2 Replacing the front axle pin - I know of two sources of play in the front axle pin. #1 is wear to the actual pin. #2 is the frame around the front axle spreading apart. Ebay user Xetta (and Barneveld Implement?) sell a replacement pin with a pair of heavy washers on the ends and a bolt running through the washers and the pin. The bolt and washers are used to tighten front frame assembly and hold it in place. Works very well. Took a lot of play out of my steering even with my OEM axle pin only being worn down about 0.002".
Replacing the axle pin is pretty easy. There is a youtube video.

I had to use a deep impact socket and a 5lb hammer to drive my factory pin out.
Xetta also sells replacement axle pins for the loaders.
The pictures below I took from Xetta's ebay auction. Hopefully Xetta doesn't mind...
Pin1.jpg
Pin2.jpg
Pin3.jpg
#3 Poor mans power steering mod - Essentially what this does is replace the factory steering thrust bearings with needle roller thrust bearings. I did this so long ago that the parts are gone from my McMaster order history. This looks like what I used. You can get the parts elsewhere.
https://www.mcmaster.com/bearings/for-s ... meter~3-4/
200 and 3000 series have 3/4" spindle shafts. 400 and 4000 series have 1" spindle shafts.
I used a pair of the thinner washers, one below and one above the needle thrust bearing. Later I added another thin washer to tighten things up.
Works great especially with the snowcaster lifted up.

#4 Steering stop adjustments - Not all tractors have this. My 2001 4016 has bolts & nuts on the spindles instead of welded stops. I was able to adjust the stops to improve the turning radius but you can only go so far before the tie rod between the front tires hits the spindles. The steering gear has two teeth left on each side. I think the factory steering radius is set wider due to the speed you can achieve on these tractors to reduce the roll over risk. I'm not hauling @$$ and doing donuts with my tractor... do it at your own risk...
20221117_210510.jpg
20221117_210536.jpg
Ingersoll 4016