Hydraulic Motors

Utility blade, snow caster, mower deck, weights, sleeve hitch, 3pt hitch, front end loader, backhoe, and more. Ready made or homemade.
User avatar
Timj United States of America
Posts: 1457
Joined: Thu Mar 04, 2021 9:57 pm
Location: Central WI
Has thanked: 5376 times
Been thanked: 5113 times

Hydraulic Motors

Post by Timj »

I have been slowly compiling information on the hydraulic motors used by Case and Ingersoll on their attachments. :writing: The Hydra Cutter, 3Pt mower, Hydra vac, Tiller, Chipper/shredder, and the All Hydraulic mower and snow caster.
The motors used seem to be unique in varying degrees. Most are no longer available. There doesn't seem to be much out there for information on non-OEM replacements.

I hope to someday put something together on this. If it's already been done, somebody stop me. :124:

So, for now as you are playing with your machines and get a second, jot down any info you can get off your hydraulic motors and post to this thread. Include attachment model #.

We'll let it pile up here till we figure out where to go with it. :highfive:
:geek: Tim
:creeper: no more mow it's time to blow :446cart:
User avatar
Doublet United States of America
Posts: 145
Joined: Sat Jan 15, 2022 1:02 pm
Location: Gotebo Okla 73041
Has thanked: 1090 times
Been thanked: 520 times

Re: Hydraulic Motors

Post by Doublet »

Char-Lynn S-Series Hydraulic Motor Parts Manual .pdf
(497.91 KiB) Downloaded 476 times
I have some other stuff, I just need to find it.

Seems like Scott Dunt @sdunt and @ssmewing and other had a discussion about drive motors and pumps on another forum but I can't seem to find it right now.

Doublet (Terry)

@myerslawnandgarden
Do you know of any manuals or articles that would help him find the information?
Last edited by Doublet on Fri Apr 29, 2022 6:59 pm, edited 1 time in total.
"It is all about the history of the tractors. "One tractor at a time"
User avatar
Timj United States of America
Posts: 1457
Joined: Thu Mar 04, 2021 9:57 pm
Location: Central WI
Has thanked: 5376 times
Been thanked: 5113 times

Re: Hydraulic Motors

Post by Timj »

Doublet wrote: Sun Apr 24, 2022 2:43 pm Char-Lynn S-Series Hydraulic Motor Parts Manual .pdf
Replacement Drive Motor Guide for Early Case and Colt Tractors.pdf

I have some other stuff, I just need to find it.

Seems like Steve Dunt @sdunt and @ssmewing and other had a discussion about drive motors and pumps on another forum but I can't seem to find it right now.

Doublet (Terry)

@myerslawnandgarden
Do you know of any manuals or articles that would help him find the information?
Thanks@Doublet I've been keeping track of whatever info I come across. I started out with just the ones used on the All Hydraulic tractors but some were the same as the ones used on the attachments for the regular tractors. Most of these hydraulic motors are NLA, they were proprietary, had special features, and odd displacements. Many of the manufacturers are out of business.They are some true unicorns.
There's considerable discussion out there about them, but little answers and alot of open ended threads.
I've been working my way through the CCI forums and Facebook groups and am branching out into the other GT forums. Then I've been cross referencing them and looking for suitable replacements.
I've not looked into the drive motors used on the tractors and probably won't. At least not for a while.
:geek: Tim
:creeper: no more mow it's time to blow :446cart:
sdunt United States of America
Posts: 34
Joined: Sun Mar 07, 2021 10:16 am
Location: Central, Illinois
Has thanked: 4 times
Been thanked: 160 times
Contact:

Re: Hydraulic Motors

Post by sdunt »

Thanks for the Nod, but its Scott Dunt .. Not Steve. Where as Steve Smewing is correct

links and things from my notes:

https://casecoltingersoll.com/showthrea ... post186442

https://casecoltingersoll.com/showthrea ... post186442

Thoughts on torque output of hydraulic vs gas engines.. I have the information for the Performer P216G which is the same displacement as the B43M. Maximum torque (intermittent rating per SAE J607) is 28.0 lb ft @2400 rpm and the continuous rating is 22.4 lb ft @ 2400 rpm. At 3600 rpm the figures are 23.3 and 18.7 respectively.

### HydraCutter

Used .79 - .80 CID motor
7" Drive Pulley on the motor
A .77 CID motor should spin @ 2800 RPM.
.77 CID at 2,000 RPM and 2500 psi = 8 GPM
Torque OUT put @ 2,000 rpm 2,000 PSI = 215 Inch pounds
    2,500 PSI = 270 Inch pounds =  22.5 Ft pounds

Hydracutter spins @ 1218 -> 1082 RPM or 18 R/ Second
48" blades -> 150" circle = 27 Feet / Second 12,850 FPS
Using 4 1/2 pulley driving a 9 3/4 pulley

AHA hyudraulic mower deck replacement motor:
13cc - .793 Cubic Inch..
Max RPM 3500
Min RPM 300
10.3 GPM at 3000 RPM
Max PSI 2800

Hyro Motor used on 41xx snowcaster:
CROSS HIGH SPEED HYDRAULIC MOTOR

Brand new, Cross hydraulic gear motor. Model 40MH07DACSC. Pressure balanced loading plates for high efficiency. Aluminum body for good heat dissipation. Pressure lubricated Teflon impregnated sleeve bearings. Internal check valves eliminate need for case drain at shaft seal pressures under 250 PSI.

SPECIFICATIONS
0.75 cu in disp
Max Pressure 3000 PSI
Max speed 3000 cont
6.5 GPM for 1800 RPM
7.5 HP at 1800 RPM, 2500 PSI
280 in-lbs. torque at 2500 PSI
Reversible Rotation
SAE A 2 bolt mount
5/8" dia x 1-1/4" keyed shaft
SAE 12 ports
1/4" NPT drain port
4-1/2" x 5-1/8" x 4-15/16"

CCI TIller Motor is Parker - TBO165AS110
User avatar
Doublet United States of America
Posts: 145
Joined: Sat Jan 15, 2022 1:02 pm
Location: Gotebo Okla 73041
Has thanked: 1090 times
Been thanked: 520 times

Re: Hydraulic Motors

Post by Doublet »

Sorry Mr. Dunt,

I will try to do better. My memory not what it once was.

Doublet (Terry)
"It is all about the history of the tractors. "One tractor at a time"
User avatar
Timj United States of America
Posts: 1457
Joined: Thu Mar 04, 2021 9:57 pm
Location: Central WI
Has thanked: 5376 times
Been thanked: 5113 times

Re: Hydraulic Motors

Post by Timj »

sdunt wrote: Thu Apr 28, 2022 1:37 pm Thanks for the Nod, but its Scott Dunt .. Not Steve. Where as Steve Smewing is correct

links and things from my notes:

https://casecoltingersoll.com/showthrea ... post186442

https://casecoltingersoll.com/showthrea ... post186442

Thoughts on torque output of hydraulic vs gas engines.. I have the information for the Performer P216G which is the same displacement as the B43M. Maximum torque (intermittent rating per SAE J607) is 28.0 lb ft @2400 rpm and the continuous rating is 22.4 lb ft @ 2400 rpm. At 3600 rpm the figures are 23.3 and 18.7 respectively.

### HydraCutter

Used .79 - .80 CID motor
7" Drive Pulley on the motor
A .77 CID motor should spin @ 2800 RPM.
.77 CID at 2,000 RPM and 2500 psi = 8 GPM
Torque OUT put @ 2,000 rpm 2,000 PSI = 215 Inch pounds
    2,500 PSI = 270 Inch pounds =  22.5 Ft pounds

Hydracutter spins @ 1218 -> 1082 RPM or 18 R/ Second
48" blades -> 150" circle = 27 Feet / Second 12,850 FPS
Using 4 1/2 pulley driving a 9 3/4 pulley

AHA hyudraulic mower deck replacement motor:
13cc - .793 Cubic Inch..
Max RPM 3500
Min RPM 300
10.3 GPM at 3000 RPM
Max PSI 2800

Hyro Motor used on 41xx snowcaster:
CROSS HIGH SPEED HYDRAULIC MOTOR

Brand new, Cross hydraulic gear motor. Model 40MH07DACSC. Pressure balanced loading plates for high efficiency. Aluminum body for good heat dissipation. Pressure lubricated Teflon impregnated sleeve bearings. Internal check valves eliminate need for case drain at shaft seal pressures under 250 PSI.

SPECIFICATIONS
0.75 cu in disp
Max Pressure 3000 PSI
Max speed 3000 cont
6.5 GPM for 1800 RPM
7.5 HP at 1800 RPM, 2500 PSI
280 in-lbs. torque at 2500 PSI
Reversible Rotation
SAE A 2 bolt mount
5/8" dia x 1-1/4" keyed shaft
SAE 12 ports
1/4" NPT drain port
4-1/2" x 5-1/8" x 4-15/16"

CCI TIller Motor is Parker - TBO165AS110
Thanks @sdunt some useful information there. I'm assuming your first paragraph under ### hydra cutter is for the hrm48h 3pt mower?

If you have a 3pt mower or @Harry could check the rpms the motor or deck is turning at wide open throttle with an optical tach it would give an idea of what the actual hydraulic out put of the hydraulic system is. I'm going to be doing this with my ahrm48.

Cross also offers that hydraulic motor as a 40MH07DAKSC .75ci with a .75" x 2" shaft which would be an option for applications needing the bigger shaft.
Thanks guys!
:geek: Tim
:creeper: no more mow it's time to blow :446cart:
User avatar
Harry United States of America
Posts: 2199
Joined: Sun Mar 07, 2021 8:33 am
Location: Lockport,NY
Has thanked: 13001 times
Been thanked: 9594 times

Re: Hydraulic Motors

Post by Harry »

My 3 pt HRM48H is buried in the back of my lean to right next to the roto tiller and the 646. I won't be getting it out for another month.

Keep the Peace :cop:
Harry
1973 444, 1974 644, 1976 446, 1977 646, 1986 226
User avatar
Timj United States of America
Posts: 1457
Joined: Thu Mar 04, 2021 9:57 pm
Location: Central WI
Has thanked: 5376 times
Been thanked: 5113 times

Re: Hydraulic Motors

Post by Timj »

Harry wrote: Sat May 14, 2022 6:35 pm My 3 pt HRM48H is buried in the back of my lean to right next to the roto tiller and the 646. I won't be getting it out for another month.

Keep the Peace :cop:
Harry
No rush Harry :highfive: if you think about it when you have it on and can do it, that would be fine.
:geek: tim
:creeper: no more mow it's time to blow :446cart:
User avatar
Timj United States of America
Posts: 1457
Joined: Thu Mar 04, 2021 9:57 pm
Location: Central WI
Has thanked: 5376 times
Been thanked: 5113 times

Re: Hydraulic Motors

Post by Timj »

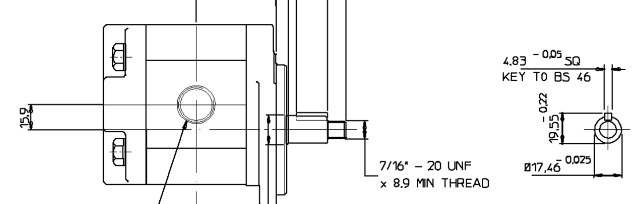
@dhitching I thought I would pull this discussion over here to not muddy up the tech library.
You mentioned you pulled the one motor out of an AHRM60 mower deck. I had also seen the pics you had posted on the FB group.
What is the shaft configuration and diameter of that Ultra motor? Is it threaded to the pulley?

I ask because I have ran into a few mentions that the Ultra motor used an 11/16" shaft diameter.
:creeper: no more mow it's time to blow :446cart:
User avatar
dhitching United States of America
Posts: 56
Joined: Tue Apr 18, 2023 12:09 pm
Location: Michigan
Has thanked: 88 times
Been thanked: 280 times

Re: Hydraulic Motors

Post by dhitching »

Timj wrote: Tue May 02, 2023 2:43 pm @dhitching I thought I would pull this discussion over here to not muddy up the tech library.
Always a good call!
Timj wrote: Tue May 02, 2023 2:43 pm What is the shaft configuration and diameter of that Ultra motor? Is it threaded to the pulley?
I ask because I have ran into a few mentions that the Ultra motor used an 11/16" shaft diameter.
Yessir, 11/16" keyed straight shaft with a 7/16-20 threaded end and a nut to hold the pulley on.

Here's the relevant excerpt from the specs drawing I posted for it. (Click on the photo, it's big)
image.png
image.png (28.39 KiB) Viewed 12310 times
7020, 6018LQA, 6018LBH, 4223, 4120, 446, and whatever other tractor I just impulse bought
Post Reply