Case 680E

You're cheating on your Case with another tractor! We want all the dirty details!
User avatar
RoamingGnome Canada
Posts: 924
Joined: Sun Jan 08, 2023 12:54 am
Location: Hamilton, ON
Has thanked: 12897 times
Been thanked: 4603 times

Re: Case 680E

Post by RoamingGnome »

Eugen wrote: Tue Aug 22, 2023 1:14 pm " Yeah, sometimes I just pretend it's all working until it doesn't. There now, how's that for a confession? :blush:
I think that's a very common trait - 1 part optimism + 1 part wishful thinking - just ask my :wife:

I question the oil pressure light on/off :letmesee: - is it supposed to be on when the tractor is running? I would have thought it might only come on when there was a problem - kind of like the battery light coming on when the alternator/generator isn't producing enough volts/amps

Something to consider could be adding a Tee where the pressure switch is - then you could have an actual oil pressure gauge in addition to the light

Regardless... Congrats on getting it to run ! :worship:
'68 Case 195, '84 Case 446, '88 Ingersoll 222 - and 1965 Case 530ck (fullsize backhoe)
Eugen Canada
Posts: 5379
Joined: Wed Mar 03, 2021 2:52 pm
Location: Port Mcnicoll, Ontario
Has thanked: 14075 times
Been thanked: 17441 times
Contact:

Re: Case 680E

Post by Eugen »

Gerry, sorry if I confused the issue. Indeed, if the oil pressure isn't high enough the light is on. That happens when you turn the ignition key to on but don't start the tractor yet. Because the light gets voltage and the pressure switch isn't yet actuated.

My lack of patience prevailed and just hooked up a new oil pressure gage I had in the shed. This confirms that the oil pressure is fine IMHO.

https://vimeo.com/856874757

User avatar
propane1 Canada
Posts: 2855
Joined: Thu Dec 23, 2021 11:32 am
Location: PEI, Canada
Has thanked: 6799 times
Been thanked: 10918 times

Re: Case 680E

Post by propane1 »

Sounds great and starts nice. Good oil pressure. Once the oil is hot it may lower some.

Noel
JSinMO United States of America
Posts: 2024
Joined: Sat Apr 23, 2022 8:16 pm
Location: Missouri
Has thanked: 15778 times
Been thanked: 9031 times

Re: Case 680E

Post by JSinMO »

RoamingGnome wrote: Tue Aug 22, 2023 1:34 pm
Eugen wrote: Tue Aug 22, 2023 1:14 pm " Yeah, sometimes I just pretend it's all working until it doesn't. There now, how's that for a confession? :blush:
I think that's a very common trait - 1 part optimism + 1 part wishful thinking - just ask my :wife:

I’m afraid I’m in that club too :109: If you don’t see it, it must be ok right? :D

@Eugen im sorry, I didn’t mean to give you more work to do. Although now that you know it has almost 60 pounds at idle, you should feel quite confident in your work and the health of that engine! Noel is right it will probably drop of some once the oil is hot but it should still be plenty of pressure.

Almost ready to stop working on it and start working with it! :highfive:
Eugen Canada
Posts: 5379
Joined: Wed Mar 03, 2021 2:52 pm
Location: Port Mcnicoll, Ontario
Has thanked: 14075 times
Been thanked: 17441 times
Contact:

Re: Case 680E

Post by Eugen »

Nothing to be sorry for @JSinMO, in fact I thank you for reminding me as it was on my to do list. My plan was to address a number of these little things once the major issue was fixed. The next priority is the 1h under load but I'd like to make sure cooling was working before that. Any advice on how to troubleshoot it is appreciated.
JSinMO United States of America
Posts: 2024
Joined: Sat Apr 23, 2022 8:16 pm
Location: Missouri
Has thanked: 15778 times
Been thanked: 9031 times

Re: Case 680E

Post by JSinMO »

I’m sure some of the other fellas here can give you a more comprehensive or maybe better plan but I thought I would just make a list of some things.

Test the thermostat to make sure it opens.

Check the radiator hoses. If there’s any question id replace them. Cheap insurance so you don’t blow an old hose and lose the coolant.

Flush the radiator and block until you see clear water coming out. It can be surprising how much rust comes out of the block!

I’m not familiar with this engine, but I assume it has freeze plugs in the block. Check them to see if there loose or rotten.

You could do a leak down test on the system but that may not be necessary. I usually rent tools like that from o’Reilly’s down here.

Make sure your temp gauge works!

Filler up and run it!

On Herbie the truck I used a temperature gun and took readings around the block and heads just to make sure I didn’t have any hot spots.


These are just some things that came to mind and I have no doubt I’m forgetting something. I’m sure I didn’t tell you anything new but I find have a list is helpful to me!

Anyway that ends todays cooling system rambling, I hope it helps!
Eugen Canada
Posts: 5379
Joined: Wed Mar 03, 2021 2:52 pm
Location: Port Mcnicoll, Ontario
Has thanked: 14075 times
Been thanked: 17441 times
Contact:

Re: Case 680E

Post by Eugen »

Thanks Jeff! The thermostat is new. The block was cleaned when I took the sleeves out. I wish I had thought to flush the radiator but I didn't and now it's full of coolant again. But, there wasn't much sludge when I took out the coolant initially. Good idea with the temp gun, I'll do it. The temperature gauge does not work. 🤷‍♂️

:cheers:
Eugen Canada
Posts: 5379
Joined: Wed Mar 03, 2021 2:52 pm
Location: Port Mcnicoll, Ontario
Has thanked: 14075 times
Been thanked: 17441 times
Contact:

Re: Case 680E

Post by Eugen »

One surprise today. I thought I go and get that temperature sending unit out of the water manifold to test it with a multimeter. The idea is that you put an ohm meter in the kOhm range and measure the resistance of the sensor while cold. As you heat it up the ohm meter should show a continuously changing temperature. But the sensor seemed really stuck in the manifold and I didn't want to force it so I got the torch out and heated the manifold area around the temp sending unit. Then I heard a clink in my head :idea: "why don't I check the gauge?" Hehe sure enough
IMG_0733.jpeg
IMG_0731.jpeg
IMG_0732.jpeg
Fine, so the sensor and gauge work. Now it would be nice to get confirmation that the coolant travels around, that is, pump pushes, thermostat opens, and the radiator is not clogged.
Eugen Canada
Posts: 5379
Joined: Wed Mar 03, 2021 2:52 pm
Location: Port Mcnicoll, Ontario
Has thanked: 14075 times
Been thanked: 17441 times
Contact:

Re: Case 680E

Post by Eugen »

Simple things first. Topped up the radiator with coolant and guess what? Now cooling works perfectly. Used the backhoe for about 1/2 hour and the water manifold did not get over about 186F or 86C. Measured the temperature with the heat gun in various places of the cooling system and nowhere was the temperature higher than that. It just stayed there, and the radiator started to get warm so the coolant is circulating. This is a relief.

Just pushed the overgrowth on the side of the road next to us digging in a little, this machine is really strong.
IMG_0736.jpeg
IMG_0735.jpeg

Next task is to heat it up again and then re-torque the head bolts and rockers nuts.


Part of me is in disbelief that this ended up working and I thank God for this.
Eugen Canada
Posts: 5379
Joined: Wed Mar 03, 2021 2:52 pm
Location: Port Mcnicoll, Ontario
Has thanked: 14075 times
Been thanked: 17441 times
Contact:

Re: Case 680E

Post by Eugen »

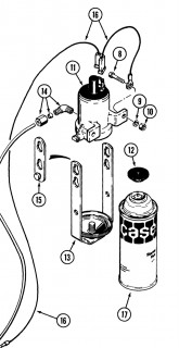
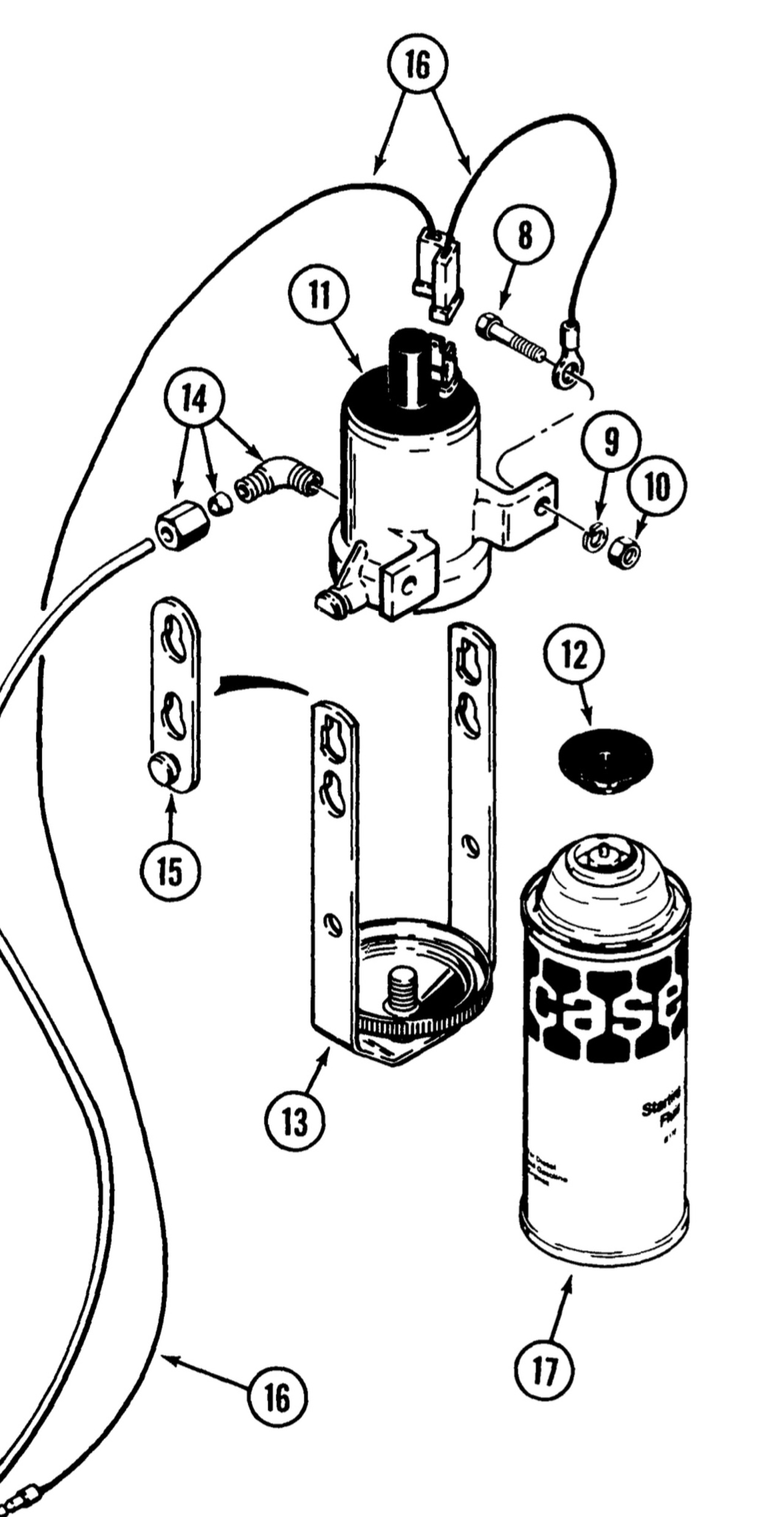
Question for you guys: what could this part be? It has a wire going in and a thin nylon tube (broken now) that goes back to the air tank. It sits under the head light in front of the radiator, behind the grill which is now off.

IMG_0737.jpeg
IMG_0738.jpeg

Looking through the parts manual I just found it. It's the cold start help. A can of starter fluid can be hooked up to it and there's a button in the cabin for giving a shot in cold weather I guess.

IMG_0739.jpeg
IMG_0740.jpeg
Post Reply