TCV linkage
-
Eugen
- Posts: 5391
- Joined: Wed Mar 03, 2021 2:52 pm
- Location: Romania
- Has thanked: 14184 times
- Been thanked: 17495 times
- Contact:
Re: TCV linkage
I normally try to save money by doing things myself, including sourcing inexpensive parts, etc. This is one of those times when I am convinced that getting the kit from Steve would save me money and time. Thank you @ssmewing for taking the time to give us details about your kit, the kind of us here that do a lot ourselves need this type of input, not just "my kit is the best".
-
thebuildist
- Posts: 865
- Joined: Mon Jul 26, 2021 5:09 pm
- Location: Atlanta, ga
- Has thanked: 895 times
- Been thanked: 3541 times
Re: TCV linkage
As I said, not for everyone. Time will tell whether I can fit a 1/4" heim joint up in there or not. If not, then it won't be as cheap as I thought, as I'll have to buy tie rod ends.ssmewing wrote: ↑Tue May 24, 2022 12:34 pmthebuildist wrote: ↑Sun May 22, 2022 11:31 pm It turns out that I'm currently in the process of re-installing my TCV. Reading this post, I'm going to go ahead and upgrade my linkage while I'm in there.
My approach won't be for everyone. I'll do a bit of lathe work and some drilling and welding. But for anyone who's handy enough to do it, it's only going to cost me $23.00
I've ordered these from amazon:
2022-05-22 23_27_08-Your Orders — Mozilla Firefox.png
And I'll be building them up for installation like this:
2022-05-22 23_23_53-DeltaCad - [LINKAGE UPGRADE.MC].png
The $23 doesn't include the piece of tube or the various nuts and bolts.
I'll update this thread with as-built photos and measurements for the drawing once I've got the work completed.
Bob
There is not enough room for most tractors to use a hiem joint on the end that attaches to the travel control lever.
My eBay listing has every model and serial number my linkage fits. I also use all grade 5 or better hardware. Even the threaded rod is the B7 rod.
The washer that I include is a thrust bearing that is the softest but still many times better than the original plastic ones. The bearing is extremely important. When you use that lever you are supposed to push it down toward the dash when moving from Neutral as per the owner's manual. This also prevents a wear ring in the travel control lever.
All those extra small parts add up fast. I get my part via USPS. The package is so expensive that I have to actually sign for it to get it from them.
I install a lot of these and every part is the best part that I know of for both function and installation. Even the nuts are special so I can easier install them. It takes me enough time that I tend to just make 20 at a time as needed. I customize parts. Not with a lathe. But, there are things I have learned that make my linkage the best, with no compromises.
Thanks to these linkages I got to buy a Milwaukee portable M18 band saw. I then made a bench mount and extra-large table for it. It is a tool that I can never put away.
I like the heim joint better, as it's a larger, smoother bearing surface and should last longer. But if it won't fit, then it won't fit.
I won't be addressing the bushings on the levers themselves. Mine feel fine and aren't that old. And I don't think they'll wear out nearly as fast as the little ball joint that bolts to the spool shaft. So those can wait.
The point of my post isn't to insult your product or suggest it's overpriced. It looks top notch and reasonable for what comes with it.
But if my method turns out to work, it's perfectly acceptable and much cheaper. But only for those with the resources to do it.
Bob
"Never be afraid to try something new. How hard can it be?"
-
ssmewing
- Posts: 220
- Joined: Sun Mar 21, 2021 8:03 pm
- Location: Hemlock, MI
- Has thanked: 21 times
- Been thanked: 855 times
Re: TCV linkage
thebuildist wrote: ↑Tue May 24, 2022 3:19 pmAs I said, not for everyone. Time will tell whether I can fit a 1/4" heim joint up in there or not. If not, then it won't be as cheap as I thought, as I'll have to buy tie rod ends.ssmewing wrote: ↑Tue May 24, 2022 12:34 pmthebuildist wrote: ↑Sun May 22, 2022 11:31 pm It turns out that I'm currently in the process of re-installing my TCV. Reading this post, I'm going to go ahead and upgrade my linkage while I'm in there.
My approach won't be for everyone. I'll do a bit of lathe work and some drilling and welding. But for anyone who's handy enough to do it, it's only going to cost me $23.00
I've ordered these from amazon:
2022-05-22 23_27_08-Your Orders — Mozilla Firefox.png
And I'll be building them up for installation like this:
2022-05-22 23_23_53-DeltaCad - [LINKAGE UPGRADE.MC].png
The $23 doesn't include the piece of tube or the various nuts and bolts.
I'll update this thread with as-built photos and measurements for the drawing once I've got the work completed.
Bob
There is not enough room for most tractors to use a hiem joint on the end that attaches to the travel control lever.
My eBay listing has every model and serial number my linkage fits. I also use all grade 5 or better hardware. Even the threaded rod is the B7 rod.
The washer that I include is a thrust bearing that is the softest but still many times better than the original plastic ones. The bearing is extremely important. When you use that lever you are supposed to push it down toward the dash when moving from Neutral as per the owner's manual. This also prevents a wear ring in the travel control lever.
All those extra small parts add up fast. I get my part via USPS. The package is so expensive that I have to actually sign for it to get it from them.
I install a lot of these and every part is the best part that I know of for both function and installation. Even the nuts are special so I can easier install them. It takes me enough time that I tend to just make 20 at a time as needed. I customize parts. Not with a lathe. But, there are things I have learned that make my linkage the best, with no compromises.
Thanks to these linkages I got to buy a Milwaukee portable M18 band saw. I then made a bench mount and extra-large table for it. It is a tool that I can never put away.
I like the heim joint better, as it's a larger, smoother bearing surface and should last longer. But if it won't fit, then it won't fit.
I won't be addressing the bushings on the levers themselves. Mine feel fine and aren't that old. And I don't think they'll wear out nearly as fast as the little ball joint that bolts to the spool shaft. So those can wait.
The point of my post isn't to insult your product or suggest it's overpriced. It looks top notch and reasonable for what comes with it.
But if my method turns out to work, it's perfectly acceptable and much cheaper. But only for those with the resources to do it.
Bob
There is a solid reason I know it will not fit, I tried it.
-
thebuildist
- Posts: 865
- Joined: Mon Jul 26, 2021 5:09 pm
- Location: Atlanta, ga
- Has thanked: 895 times
- Been thanked: 3541 times
Re: TCV linkage
Well THAT was a pain.
It took me about an hour and a half to manufacture the parts. It took over two and a half hours to install them.
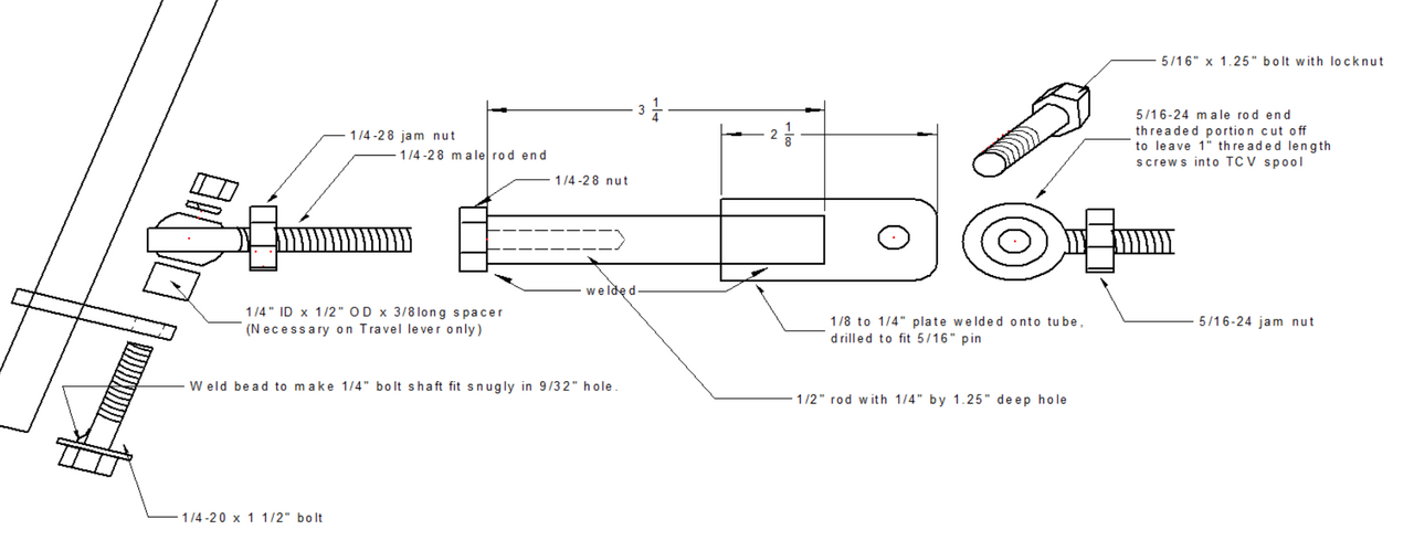
I was determined to do the work without removing the lift and travel levers shafts. It was more frustrating than I had realized. If you buy the kit, the lever shafts must be removed, because if you put a downward facing bolt in the hole on the lever "ear", it is impossible to reach it and thread a nut upward onto that bolt. And since the kit comes with tie-rod ends that have a downward facing bolt, you have to remove the travel/lift lever shafts to install the kit. (MAYBE you could get in there if you removed the lift cylinder and lift rocker shaft? I didn't try, but I doubt it.)
But using the heim joint and a bolt, you can JUST wiggle a one inch long bolt upward through the lever "ear" and then install the heim joint and lock washer and nut onto that bolt.
But as it turns out, that's only on the lift lever side. That side was fairly fast and easy. Visible and accessible, done in about 30 minutes. Smooth as silk. I put a washer on the upward facing 1/4" bolt and put just a little puddle of weld down in the crack. That holds the washer permanently in place, and fills the gap: we're putting a 1/4" bolt into a 9/32" hole, so the bolt can wiggle around in the hole, and we don't want that. A little lump of weld bead makes the bolt fit snug in the hole.
So I've got this licked.
HOWEVER. The travel lever side took me over an hour to get installed. Nothing can be reached, nothing can be seen. Super, super frustrating. I finally got the bolt into the "ear" and dropped the heim fitting on it and it took me dropping SEVEN nuts before I finally got one to thread on. Once the nut is resting in place, you can only reach it with a single index finger, and you just have to kind of swirl in a circle getting the nut to spin and catch a thread.
UGH.
But I GOT IT!
Kinda. :-(
It turns out that SMewing was right: Using the heim joint on the travel lever side makes the whole shaft assembly sit too low. So the jam nut hits the top of the "footbrake neutral return" lever, so the travel lever is BARELY able to move.
"Ah! we'll install a spacer between the "ear" and the heim joint!" Good plan. That will work. BUT
With a spacer between the heim joint and the "ear" you have to have a 1 3/8" long bolt to attach it. BUT YOU CAN"T GET A 1 3/8" BOLT IN THERE without removing the travel lever shaft.
So it's a Catch-22, at least for those like me who STUBBORNLY refuse to remove the travel lever shaft.
Therefore: My plan will work. If you build up the parts as described below, and put a spacer on the travel lever side, you can do this whole upgrade for about $25 plus some scrap materials laying around. But you will have to remove at least the travel lever shaft in order to install it. And it will be dirty and frustrating. Only someone who is cantankerous and stubborn and cheap should consider going this route.
But if you ARE cantankerous and stubborn and cheap, and you have a drill and a welder, then you might consider it.
So did I remove the travel lever shaft? NO SIR.
As it turns out, my tractor is special.
It turns out that, in the process of reinforcing the frame rails of my tractor in order to prepare it for loader duty, I chose to close up the hole in the frame rail where a pin coming out of the brake pedal sticks through a hole the frame and when the brake pedal is pushed, that pin pulls on the spring that pulls on the "neutral return lever". That's how the foot brake causes the travel lever to return to neutral.
Closing up that hole increased the strength of the frame in that (fairly critical) location. But it meant a redesign of the parking brake system, and I'd like to think the new design is actually a substantial upgrade. I no longer have to push the pedal with my foot and then push some other button or lever with my hand. I just have an "extra" inner foot pedal. Push on the inner pedal and it sets the parking brake. Simple. No thought, no fuss. Push, "click", all set.
I explain the need to close up that hole here: https://youtu.be/ay-uRitVV38?t=249
and you can see the end result here: https://youtu.be/ay-uRitVV38?t=3671
The tradeoff is that my foot brake pedal no longer has any effect on the travel lever. Pushing the foot brake applies the brake, nothing more. It has no effect on the travel lever, you have to do that yourself. I'm perfectly happy with that, but some folks wouldn't care for it.
But SINCE MY TRACTOR DOESN'T EVEN USE the "neutral return lever", I simply removed it. And once that was out of the way, I re-installed the 1" bolt and heim joint on the travel side, the same as the lift side. Problem solved. It won't work for anyone else, but it worked for me.
Bob
It took me about an hour and a half to manufacture the parts. It took over two and a half hours to install them.
I was determined to do the work without removing the lift and travel levers shafts. It was more frustrating than I had realized. If you buy the kit, the lever shafts must be removed, because if you put a downward facing bolt in the hole on the lever "ear", it is impossible to reach it and thread a nut upward onto that bolt. And since the kit comes with tie-rod ends that have a downward facing bolt, you have to remove the travel/lift lever shafts to install the kit. (MAYBE you could get in there if you removed the lift cylinder and lift rocker shaft? I didn't try, but I doubt it.)
But using the heim joint and a bolt, you can JUST wiggle a one inch long bolt upward through the lever "ear" and then install the heim joint and lock washer and nut onto that bolt.
But as it turns out, that's only on the lift lever side. That side was fairly fast and easy. Visible and accessible, done in about 30 minutes. Smooth as silk. I put a washer on the upward facing 1/4" bolt and put just a little puddle of weld down in the crack. That holds the washer permanently in place, and fills the gap: we're putting a 1/4" bolt into a 9/32" hole, so the bolt can wiggle around in the hole, and we don't want that. A little lump of weld bead makes the bolt fit snug in the hole.
So I've got this licked.
HOWEVER. The travel lever side took me over an hour to get installed. Nothing can be reached, nothing can be seen. Super, super frustrating. I finally got the bolt into the "ear" and dropped the heim fitting on it and it took me dropping SEVEN nuts before I finally got one to thread on. Once the nut is resting in place, you can only reach it with a single index finger, and you just have to kind of swirl in a circle getting the nut to spin and catch a thread.
UGH.
But I GOT IT!
Kinda. :-(
It turns out that SMewing was right: Using the heim joint on the travel lever side makes the whole shaft assembly sit too low. So the jam nut hits the top of the "footbrake neutral return" lever, so the travel lever is BARELY able to move.
"Ah! we'll install a spacer between the "ear" and the heim joint!" Good plan. That will work. BUT
With a spacer between the heim joint and the "ear" you have to have a 1 3/8" long bolt to attach it. BUT YOU CAN"T GET A 1 3/8" BOLT IN THERE without removing the travel lever shaft.
So it's a Catch-22, at least for those like me who STUBBORNLY refuse to remove the travel lever shaft.
Therefore: My plan will work. If you build up the parts as described below, and put a spacer on the travel lever side, you can do this whole upgrade for about $25 plus some scrap materials laying around. But you will have to remove at least the travel lever shaft in order to install it. And it will be dirty and frustrating. Only someone who is cantankerous and stubborn and cheap should consider going this route.
But if you ARE cantankerous and stubborn and cheap, and you have a drill and a welder, then you might consider it.
So did I remove the travel lever shaft? NO SIR.
As it turns out, my tractor is special.
It turns out that, in the process of reinforcing the frame rails of my tractor in order to prepare it for loader duty, I chose to close up the hole in the frame rail where a pin coming out of the brake pedal sticks through a hole the frame and when the brake pedal is pushed, that pin pulls on the spring that pulls on the "neutral return lever". That's how the foot brake causes the travel lever to return to neutral.
Closing up that hole increased the strength of the frame in that (fairly critical) location. But it meant a redesign of the parking brake system, and I'd like to think the new design is actually a substantial upgrade. I no longer have to push the pedal with my foot and then push some other button or lever with my hand. I just have an "extra" inner foot pedal. Push on the inner pedal and it sets the parking brake. Simple. No thought, no fuss. Push, "click", all set.
I explain the need to close up that hole here: https://youtu.be/ay-uRitVV38?t=249
and you can see the end result here: https://youtu.be/ay-uRitVV38?t=3671
The tradeoff is that my foot brake pedal no longer has any effect on the travel lever. Pushing the foot brake applies the brake, nothing more. It has no effect on the travel lever, you have to do that yourself. I'm perfectly happy with that, but some folks wouldn't care for it.
But SINCE MY TRACTOR DOESN'T EVEN USE the "neutral return lever", I simply removed it. And once that was out of the way, I re-installed the 1" bolt and heim joint on the travel side, the same as the lift side. Problem solved. It won't work for anyone else, but it worked for me.
Bob
"Never be afraid to try something new. How hard can it be?"
-
Eugen
- Posts: 5391
- Joined: Wed Mar 03, 2021 2:52 pm
- Location: Romania
- Has thanked: 14184 times
- Been thanked: 17495 times
- Contact:
Re: TCV linkage
That sounds like it's been a major pain in the behind to get installed, but you did it! The parts look good, let us know how it works when in use. 
-
DavidBarkey
- Posts: 4124
- Joined: Sat Mar 06, 2021 10:35 am
- Location: Waverley On.
- Has thanked: 20769 times
- Been thanked: 15260 times
Re: TCV linkage
I made mine similar to Bob . And just like Bob I am cheap , have access to machine and welding , plus wholesale parts . It was alot easier for me as it was done as part of a rebuild and the engine/pump ect. was out of the way . That being said , if you can , make your own . If you can't get Steve's link kits . For any reason you will have the pump/ motor out do it then . It is worth it !
Dave
Mad Tractor Builder
Mad Tractor Builder
-
ras101
- Posts: 589
- Joined: Wed Apr 13, 2022 3:18 pm
- Location: Webster, NY
- Has thanked: 1110 times
- Been thanked: 2547 times
Re: TCV linkage
So another question guys - anyone changed the linkage on the lift side too? Thinking that while I am struggling replacing the travel side might as well do the lift too. Just a glutton for punishment too
. Does the same linkage work on both sides?
-
thebuildist
- Posts: 865
- Joined: Mon Jul 26, 2021 5:09 pm
- Location: Atlanta, ga
- Has thanked: 895 times
- Been thanked: 3541 times
Re: TCV linkage
Yes, the same linkage. If you read my last post, the travel side needs a spacer between the "ear" and the heim joint. The lift side doesn't.
If you use the Ebay kit it's simpler. It includes both sides, and they're both identical.
Bob
If you use the Ebay kit it's simpler. It includes both sides, and they're both identical.
Bob
"Never be afraid to try something new. How hard can it be?"
-
ras101
- Posts: 589
- Joined: Wed Apr 13, 2022 3:18 pm
- Location: Webster, NY
- Has thanked: 1110 times
- Been thanked: 2547 times
Re: TCV linkage
Hi Bob, thanks for posting your 'experience' and fabrication here. I decided to go with an Ebay kit and ordered the travel kit that I have now received. From your answers I just pulled the plug on a lift kit too. As I install I will take pics and share my experience here on the forum. At the outset I will be fitting these to my new to me 446 1979 GT I 'stole' from my neighbor . My aim though is that my GT's will all have the same solutions. As I get closer I will draw. analyze, and attempt to share all my 'modifications. Hope you guys will do that too.
-
ras101
- Posts: 589
- Joined: Wed Apr 13, 2022 3:18 pm
- Location: Webster, NY
- Has thanked: 1110 times
- Been thanked: 2547 times
Re: TCV linkage
Thanks Eugen, For me the most important thing of posting is sharing. I have already made a decision so that is moot. I'm a I going to make mistakes most definitely! the only way that change if we al share our experience and solutions. For me I will always push the envelope. I will stay as long as other do the same. Please make this site exciting, make us want to stay, no make us NEED to stay, so our hobby survives and our GT's last another 100 plus years too.